HDJ/JS-1 跳闸回路继电器

外形尺寸: 110(L)×23(W)×116(H)mm³
特性: 本产品是可连续监视断路器回路中的跳闸回路。对跳闸线圈及其引线故障产生报警。继电器的输出接点可直接与报警装置相链接。继电器产生报警信号时会有指示灯提示操作者。采用CH20M22结构,适用于导轨安装。具有高可靠性,高稳定性等优点。
产品详情

主要技术参数

产品概述

本产品是可连续监视断路器回路中的跳闸回路。对跳闸线圈及其引线故障产生报警。继电器的输出接点可直接与报警装置相链接。继电器产生报警信号时会有指示灯提示操作者。采用CH20M22结构,适用于导轨安装。具有高可靠性,高稳定性等优点。

动作电压

55%70%Un

额定工作电压

DC220VDC110V

接点容量

载流8A,断弧容量60W2000VA

绝缘电阻

≥100MΩ

介质强度

线圈与接点线圈与外壳,外壳与接点:2000VAC50Hz1min10mA

工作温度

-2055

存储温度

-2070

螺钉类型/拧紧力矩

M3/0.40.5Nm

安装方式

标准DIN导轨

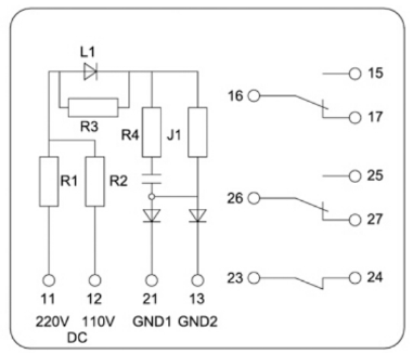
接线图

线

工作原理

1、当断路器处在合闸状态(DL常开接点闭合),电流通过L1J1DL2,至跳闸线圈。如跳闸线圈及回路开路,或直流电源消失,J1延时返回,给出告警接点。

2、若保护动作跳闸(TJ闭合),断路器跳开,DL1闭合,DL2断开,TJ返回,继续可以监视跳闸回路。

微信公众号
服务热线: 0791-82293156
0791-82293157
地址:南昌市新建区长堎工业园科发路998号
电话:0791-82293200
邮箱:nchongdu@163.com
Copyright © 2002-2018 洪都电器有限公司 版权所有    ICP备案编号:赣ICP备2021001769号-2    技术支持:云端科技
Warning: mkdir(): Permission denied in /home/nchongdu3nzcfh7osnqgdd9u/wwwroot/thinkphp/library/think/log/driver/File.php on line 52 Warning: error_log(/home/nchongdu3nzcfh7osnqgdd9u/wwwroot/runtime/log/202604/01.log): failed to open stream: No such file or directory in /home/nchongdu3nzcfh7osnqgdd9u/wwwroot/thinkphp/library/think/log/driver/File.php on line 169