HDJ/ROB-02自保持继电器

外形尺寸: 110(L)×23(W)×116(H)mm³
特性: 本产品是用电压继电器实现的电流保持继电器,继电器参数自适应。有效保护在跳、合闸过程中,操作回路没有保持功能,避免开关不能正常操作同时保护跳、合闸接点拉弧现象。
产品详情

主要技术参数

产品概述

本产品是用电压继电器实现的电流保持继电器,继电器参数自适应。有效保护在跳、合闸过程中,操作回路没有保持功能,避免开关不能正常操作同时保护跳、闸接点拉弧现象。

分、合闸电流

0.25A4A自适应型

绝缘电阻

≥100MΩ

介质强度

线圈与接点线圈与外壳,外壳与接点:2000VAC50Hz1min10mA

工作温度

-2055

存储温度

-2070

螺钉类型/拧紧力矩

M3/0.50.6Nm

安装方式

标准DIN导轨


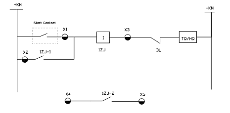
接线图

线

工作原理

备用电源分、合闸过程中,会出现分、合闸脉冲与断路器分、合闸不匹配的情况,导致分、合闸失败,可以在回路中串入HDJ-01保证断路器可靠分合。

微信公众号
服务热线: 0791-82293156
0791-82293157
地址:南昌市新建区长堎工业园科发路998号
电话:0791-82293200
邮箱:nchongdu@163.com
Copyright © 2002-2018 洪都电器有限公司 版权所有    ICP备案编号:赣ICP备2021001769号-2    技术支持:云端科技
Warning: mkdir(): Permission denied in /home/nchongdu3nzcfh7osnqgdd9u/wwwroot/thinkphp/library/think/log/driver/File.php on line 52 Warning: error_log(/home/nchongdu3nzcfh7osnqgdd9u/wwwroot/runtime/log/202604/01.log): failed to open stream: No such file or directory in /home/nchongdu3nzcfh7osnqgdd9u/wwwroot/thinkphp/library/think/log/driver/File.php on line 169