HDJ/A-4组 中间继电器-单稳态

外形尺寸: 90.2(L)×36.3(W)×57.5(H)mm³
特性: 本系列产品可广泛应用于电力系统和工业自动化系统中,采用明确可靠的信号扩展和电隔离技术,多种接口和自由定制接点类型可充分满足用户各类应用需要。
产品详情

中间继电器-单稳态

HDJ/A-2H2D-L

  接线图

 

产品宽度:36.3mm

型号规格

HDJ/A-2H2D-L/220V(AC/DC)

HDJ/A-2H2D-L/110V(AC/DC)

HDJ/A-2H2D-L/48V(AC/DC)

    HDJ/A-2H2D-L/24V(AC/DC)

 

主要技术参数

产品概述

系列产品可广泛应用于电力系统和工业自动化系统中,采用明确可靠的信号扩展和电隔离技术,多种接口和自由定制接点类型可充分满足用户各类应用需要。

动作电压

 55%Un70%Un

 接触形式

 2NO/2NC

 接点载流容量

 5A(可订8A

动作时间

 <10ms

返回时间

 <10ms

 断弧容量

 60W2000VA

绝缘电阻

 ≥20MΩ

 介质强度

 线圈与接点:2000VAC;线圈与外壳,外壳与接点:50Hz1min10mA

 工作温度

  -2055

存储温度

  -2070

螺钉类型/拧紧力矩

 M3/0.50.6Nm

 安装方式

 标准DIN导轨


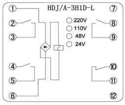
中间继电器-单稳态

HDJ/A-3H1D-L

  接线图

 

产品宽度:36.3mm

型号规格

HDJ/A-3H1D-L/220V(AC/DC)

HDJ/A-3H1D-L/110V(AC/DC)

HDJ/A-3H1D-L/48V(AC/DC)

HDJ/A-3H1D-L/24V(AC/DC)

 

主要技术参数

产品概述

系列产品可广泛应用于电力系统和工业自动化系统中,采用明确可靠的信号扩展和电隔离技术,多种接口和自由定制接点类型可充分满足用户各类应用需要。

动作电压

 55%Un70%Un

 接触形式

 3NO/1NC

 接点载流容量

 5A(可订8A

动作时间

 <10ms

返回时间

 <10ms

 断弧容量

 60W2000VA

绝缘电阻

 ≥20MΩ

 介质强度

 线圈与接点:2000VAC;线圈与外壳,外壳与接点:50Hz1min10mA

 工作温度

  -2055

存储温度

  -2070

螺钉类型/拧紧力矩

 M3/0.50.6Nm

 安装方式

 标准DIN导轨


中间继电器-单稳态

HDJ/A-4H-L

 接线图

 

产品宽度:36.3mm

型号规格

HDJ/A-4H-L/220V(AC/DC)

HDJ/A-4H-L/110V(AC/DC)

HDJ/A-4H-L/48V(AC/DC)

HDJ/A-4H-L/24V(AC/DC)

 

主要技术参数

产品概述

系列产品可广泛应用于电力系统和工业自动化系统中,采用明确可靠的信号扩展和电隔离技术,多种接口和自由定制接点类型可充分满足用户各类应用需要。

动作电压

 55%Un70%Un

 接触形式

 4NO

 接点载流容量

 5A(可订8A

动作时间

 <10ms

返回时间

 <10ms

 断弧容量

 60W2000VA

绝缘电阻

 ≥20MΩ

 介质强度

 线圈与接点:2000VAC;线圈与外壳,外壳与接点:50Hz1min10mA

 工作温度

  -2055

存储温度

  -2070

螺钉类型/拧紧力矩

 M3/0.50.6Nm

 安装方式

 标准DIN导轨


中间继电器-单稳态

HDJ/A-4H-R

  接线图

 

产品宽度:36.3mm

型号规格

HDJ/A-4H-R/220V(AC/DC)

HDJ/A-4H-R/110V(AC/DC)

HDJ/A-4H-R/48V(AC/DC)

HDJ/A-4H-R/24V(AC/DC)

 

主要技术参数

产品概述

系列产品可广泛应用于电力系统和工业自动化系统中,采用明确可靠的信号扩展和电隔离技术,多种接口和自由定制接点类型可充分满足用户各类应用需要。

动作电压

 55%Un70%Un

 接触形式

 4NO

 接点载流容量

 5A(可订8A

动作时间

 <10ms

返回时间

 <10ms

 断弧容量

 60W2000VA

绝缘电阻

 ≥20MΩ

 介质强度

 线圈与接点:2000VAC;线圈与外壳,外壳与接点:50Hz1min10mA

 工作温度

  -2055

存储温度

  -2070

螺钉类型/拧紧力矩

 M3/0.50.6Nm

 安装方式

 标准DIN导轨

微信公众号
服务热线: 0791-82293156
0791-82293157
地址:南昌市新建区长堎工业园科发路998号
电话:0791-82293200
邮箱:nchongdu@163.com
Copyright © 2002-2018 洪都电器有限公司 版权所有    ICP备案编号:赣ICP备2021001769号-2    技术支持:云端科技
Warning: mkdir(): Permission denied in /home/nchongdu3nzcfh7osnqgdd9u/wwwroot/thinkphp/library/think/log/driver/File.php on line 52 Warning: error_log(/home/nchongdu3nzcfh7osnqgdd9u/wwwroot/runtime/log/202604/01.log): failed to open stream: No such file or directory in /home/nchongdu3nzcfh7osnqgdd9u/wwwroot/thinkphp/library/think/log/driver/File.php on line 169